Труба бетонная
Трубы железобетонные от производителя
ГК МеталлЭнергоХолдинг предлагает купить трубу бетонную оптом или розничными партиями по ценам производителя. Организуем оперативную доставку заказа в любую точку на карте России. На крупные поставки делаем скидки. По вопросам оформления заказа обращайтесь к нашему менеджеру.
Классификация и размеры, диаметры трубы ЖБИ
Трубы ж/б безнапорные, применяемые для прокладки подземным способом трубопроводных систем для транспортировки самотеком бытовых, производственных и ливневых сточных вод, производятся по ГОСТ 20054 и ГОСТ 6482. Трубные изделия, изготовленные по технологии вибропрессования, радиального прессования и центрифугирования, отличаются высокими физико-механическими и эксплуатационными характеристиками.
Трубные изделия в зависимости от наружной геометрической формы и типа соединения делятся на классы:
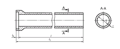
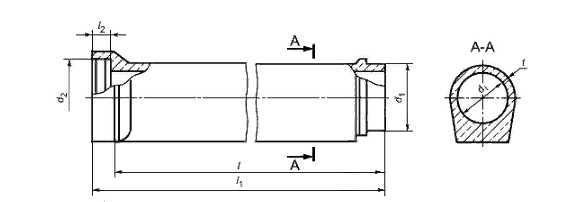
Трубы ЖБИ с раструбами и стыковыми соединениями (Т) и с подошвой (ТП);


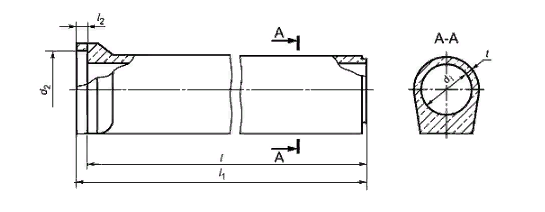
Трубы бетонные с упорными буртиками (ТБ) и подошвой (ТБП);
.png)
%20и%20подошвой%20(ТБП).png)
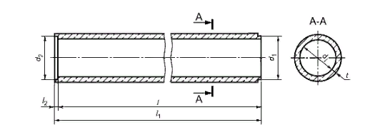
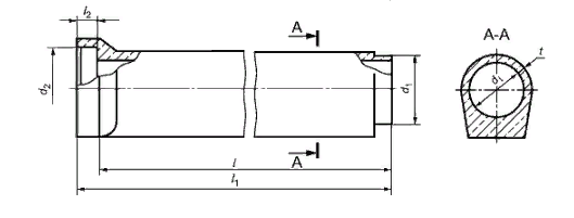
Трубы со ступенчатой втулкой (ТС) и стыком под резиновые уплотнительные кольца и с подошвой (ТСП);
.png)
%20и%20стыком%20под%20резиновые%20уплотнительные%20кольца%20и%20с%20подошвой%20(ТСП).png)
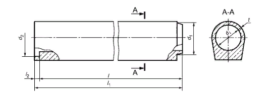
Трубы ЖБИ фальцевые со стыками под уплотнения герметиками (ТФ) и с подошвой (ТФП).

%20и%20с%20подошвой%20(ТФП).png)
По несущей способности трубные изделия подразделяются на пять групп — I, II, III, IV, V. Стандартный диаметр условного прохода от 300,0 мм до 3,0 м. Полезная длина должна быть кратной 0,5 м, но не менее 1,5 м.
Таблица. Рекомендуемые размеры жби бетонные трубы, диаметр, характеристики
|
Тип трубных изделий |
d1, мм |
Рекомендуемые размеры | ||||
| l, м | t, мм | глубина раструба l2, мм | глубина фальца l2, мм | |||
|
T, ТБ, TC, ТФ |
300,0 400,0 500,0 600,0 | 2,0 |
45,0 50,0 55,0 60,0 | 80,0 |
25,0 25,0 30,0 35,0 | |
|
2,5 |
100,0 | |||||
|
T, ТП, ТБ, TC, ТБП, ТСП, ТФП |
800,0 1000,0 1200,0 1400,0 1600,0 |
от 2,5 до 3,0 |
80,0 100,0 110,0 110,0 120,0 |
110,0 |
55,0 80,0 100,0 100,0 100,0 | |
|
ТП, ТБП, ТСП, ТФП |
1800,0 2000,0 2200,0 2400,0 3000,0 |
2,5 |
125,0 130,0 140,0 150,0 170,0 |
120,0 130,0 135,0 140,0 150,0 |
100,0 100,0 110,0 120,0 140,0 | |
| 2,0 | ||||||
Трубы, полученные по технологии центрифугирования, могут иметь полезную длину до 5,0 м. Под заказ возможно изготовление ж/б труб других размеров по индивидуальным чертежам.
Требования к материалам для трубы ЖБИ
Для изготовления труб применяется быстротвердеющий портландцемент и шлакопортландцемент марок 300-600 по ГОСТ 10178-85. В качестве заполнителей применяются щебень, гравий, и песок (максимальный размер зерна 10 мм) по ГОСТ 8267-93 и ГОСТ 8736-2014. Для приготовления бетонного раствора может использоваться питьевая, поверхностная и грунтовая вода, а также морская и засоленная вода, содержание растворимых солей, сульфатов, хлоридов и механических взвесей в которой нормируется ГОСТ 23732-2011.
Для армирования трубных изделий применяются сварные спиральные эллиптические, цилиндрические одинарные или двойные армокаркасы, изготовленные из стальной арматуры классов AI и AIII, проволока B-I и Bp-I по ГОСТ 5781 и ГОСТ 6727.
Трубы типа TC и ТСП диаметром более 2,0 м в зонах раструбов дополнительно армируются сварной сеткой. Характеристики армокаркасов и закладных изделий соответствуют ГОСТ 10922 и ГОСТ 14098.
Трубные изделия, предназначенные для эксплуатации в условиях воздействия сильноагрессивных сред, поставляются с защитным внутренним покрытием. Для изготовления защитных внутренних чехлов применяются листовые материалы толщиной от 3,0 мм, химическая стойкость которых не ниже, чем у ПЭТ по ГОСТ 16338 и полипропилена по ГОСТ 26996. Чаще всего используются листы анкерные V-GRIP, T-GRIP по ТУ 2246-00З-56910145-2014. Монтаж чехлов осуществляется с помощью дискретных анкерующих элементов, которые располагаются в шахматном порядке. Количество крепежных элементов от 300 до 500 штук на 1 м2.
Требования к качеству бетонной трубы
На реализацию отправляются изделия, которые прошли проверку качества на производстве. К недопустимым дефектам относятся наплывы, впадины, сколы, продольные или поперечные трещины на поверхности и торцах изделий. В комплект поставки входят уплотнители из эластомеров. По запросу заказчика трубы поставляются без уплотнителей.
Купить, по лучшим ценам трубы бетонные с экспресс доставкой от МеталлЭнергоХолдинг
Чтобы сделать заказ на поставку бетонной трубы, позвоните по телефону, указанному на сайте, или отправьте заявку электронной почтой.

МеталлЭнергоХолдинг - надежный поставщик металлопроката более 11 лет
Экспортные поставки
Успешно сотрудничаем с зарубежными компаниями
Экспортные поставки
Предприятия ВПК
Осуществляем поставки для военно-промышленного комплекса
Предприятия ВПК
Авиакосмос
Снабжение авиационной и космической производственной отрасли
Авиакосмос
Приборостроение
Изготовление сложных деталей и элементов
Приборостроение
Нефтегазодобыча
Оборудование для добычи полезных ископаемых
Нефтегазодобыча
Строительство
Производство и монтаж металлоконструкций, быстровозводимых зданий
Строительство

